你看到的化工行业是什么样的?你可知道他的全貌?在庞大的化工产业链中,从原料到产品,你的行业又在什么位置呢?
石油化工产业链

石油化工产业链是以石油为起始原料,进行裂解,生成以乙烯、丙烯、丁二烯、苯、甲苯、二甲苯为代表的基本化工原料,再以这些基本化工原料生产多种有机化工原料及合成材料,最后生产出终端产品的链条。

乙烯是有机化工的基本原料。在有机合成方面,用于合成乙醇、环氧乙烷、乙二醇、乙醛、乙酸、丙醛、丙酸及其衍生物等多种基本有机合成原料,经卤化,可制氯代乙烯、氯代乙烷、溴代乙烷,经齐聚可制α-烯烃,进而生产高级醇、烷基苯等。在合成材料方面,大量用于生产聚乙烯、氯乙烯及聚氯乙烯,乙苯、苯乙烯及聚苯乙烯以及乙丙橡胶等。

丙烯可用于生产多种重要有机化工原料、合成树脂、合成橡胶及多种精细化学品等,其中用量最大的是生产聚丙烯,另外丙烯可制丙烯腈、异丙醇、苯酚和丙酮、丁醇和辛醇、丙烯酸及其脂类以及制环氧丙烷和丙二醇、环氧氯丙烷和合成甘油等。

C4馏分主要为含四个碳原子的多种烷烃、烯烃、二烯烃和炔烃的混合物。C4馏分是一种可燃气体,但通常是以液态贮运。可作为燃料,或经分离作基本有机化工原料。具有工业意义的C4烃主要组分有正丁烷、异丁烷、1-丁烯、异丁烯、1,3-丁二烯、C4炔烃等,其中以1,3-丁二烯最为重要。

苯在工业上用途很广,接触的行业主要有染料工业,用于农药生产及香料制作的原料等,苯又作为溶剂和粘合剂用于造漆、喷漆、制药、制鞋及苯加工业、家具制造业等。
苯经取代反应、加成反应、氧化反应等生成的一系列化合物可以作为制取塑料、橡胶、纤维、染料、去污剂、杀虫剂等的原料。

其中大约10%的苯用于制造苯系中间体的基本原料。苯与乙烯生成乙苯,乙苯可用来生产制塑料的苯乙烯。苯与丙烯生成异丙苯,异丙苯可以经异丙苯法来生产丙酮与制树脂和粘合剂的苯酚。苯还可以合成顺丁烯二酸酐,合成用于制作苯胺的硝基苯,合成用于农药的各种氯苯,合成用于生产洗涤剂和添加剂的各种烷基苯,以及合成氢醌,蒽醌等化工产品。
甲苯大量用作溶剂和高辛烷值汽油添加剂,也是有机化工的重要原料。甲苯可用于脱烷基制苯或岐化制二甲苯。甲苯可衍生的一系列中间体,可进行侧链氯化得到的一氯苄、二氯苄和三氯苄,包括它们的衍生物苯甲醇,苯甲醛和苯甲酰氯,还可制备甲苯的环氯化产物,甲苯硝化制得大量的中间体,广泛用于染料、医药、农药、火炸药、助剂、香料等精细化学品的生产,也用于合成材料工业。
天然气化工行业产业链

天然气化工行业产业链是以天然气为原料生产化工产品的工业,是燃料化工的组成部分。

合成气以一氧化碳和氢气为主要组分,是用作化工原料的一种原料气。用合成气中的氢和空气中的氮在催化剂作用下加压反应可制得氨,氨加工产品有尿素、各种铵盐(如氮肥和复合肥料)、硝酸、乌洛托品、三聚氰胺等。用一氧化碳和氢气在催化剂作用下反应可制得甲醇。合成气在铁催化剂作用下加压反应生成烃(费-托合成法),也可发展为生产汽油和丙酮、醇等低沸点产品。直链和支链的C2~C17烯烃与合成气进行氢甲酰化反应生成羰基合成的产品。羰基合成生成醛,再进一步催化加氢制得醇。它们是制增塑剂的重要原料。

乙炔,可用以照明、焊接及切断金属(氧炔焰),也是制造乙醛、醋酸、苯、合成橡胶、合成纤维等的基本原料。在烧焊金属方面。乙炔燃烧时能产生高温,氧炔焰的温度可以达到3200℃左右,用于切割和焊接金属。乙炔也是有机合成的最重要原料,如与氯化氢、氢氰酸、乙酸加成,均可生成生产高聚物的原料。乙炔在高温下分解为碳和氢,由此还可制备乙炔炭黑。

氢氰酸的用途很广,可用于制造尼龙、杀虫剂、丙烯腈和丙烯酸树脂、金银铜等的电镀、金银等的采矿业、制药灭鼠药、有机合成等离子蚀刻等。尤其是已二醇和甲基丙烯酸酯树脂,对氢氰酸的需求就显示出很大的市场强劲。
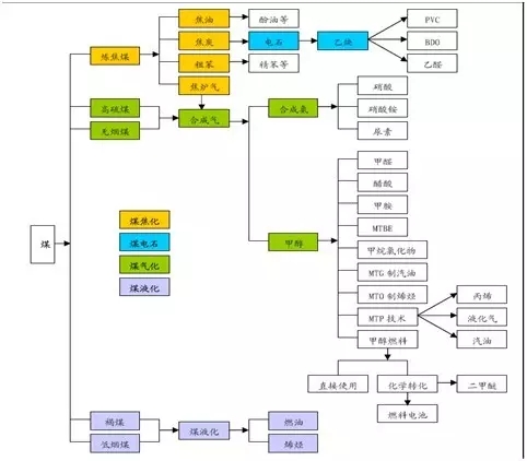
煤化工行业产业链

煤化工以煤为原料,经化学加工使煤转化为气体、液体和固体产品或半产品,而后进一步加工成化工、能源产品的工业。

煤化工按不同的工艺路线可以分为煤焦化(热解) 、煤电石、煤气化和煤液化。

按不同的产品路线可以分为煤制天然气、煤制油、煤制烯烃、煤制醇醚、煤经焦碳制电石、煤制合成氨等。其中煤焦化、氯碱和合成氨制尿素等都属于传统煤化工。而煤制天然气、煤制油、煤制烯烃和煤制醇醚类属于新型现代煤化工,是目前比较受关注的领域。















